







Артикул:
a2a - 1458325 22-SCH
Есть в наличии
10.03 ₽
Минимальное количество заказа этого товара 500
Доставка послезавтра и позже, от 5000 ₽
Обратите внимание. Наша компания работает со странами СНГ только через представительство в РФ.
Обратите внимание. Наша компания работает со странами СНГ только через представительство в РФ.
В упаковке
500Вес единицы товара, кг
0,00466Basic
В упаковке
500
Вес единицы товара, кг
0,00466
Вес упаковки, кг
0.00094
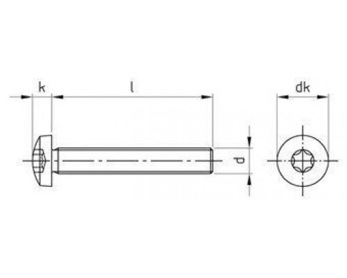
Высота головки, мм
3.7
Диаметр головки, мм
9.5
Диаметр резьбы
M5
Длина, мм
22
Материал
нерж. сталь A2
Нагрузки
Разрыв: 500 Н/мм2
Размер шлица
TX25
Тип головки
цилиндрическая
Тип резьбы
полная
Шлиц
TX
Отзывов: 0
Нет отзывов об этом товаре.
Вопросов: 0
Нет вопросов об этом товаре.
Похожие товары
Вы недавно смотрели