







Артикул:
a2a - 1458344 5-SCH
Есть в наличии
6.33 ₽
Минимальное количество заказа этого товара 500
Доставка послезавтра и позже, от 5000 ₽
Обратите внимание. Наша компания работает со странами СНГ только через представительство в РФ.
Обратите внимание. Наша компания работает со странами СНГ только через представительство в РФ.
В упаковке
500Вес единицы товара, кг
0,0014Basic
В упаковке
500
Вес единицы товара, кг
0,0014
Вес упаковки, кг
0.00028
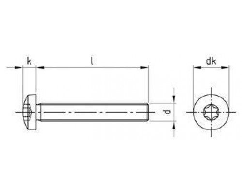
Высота головки, мм
3.1
Диаметр головки, мм
8
Диаметр резьбы
M4
Длина, мм
5
Материал
нерж. сталь A4
Нагрузки
Разрыв: 500 Н/мм2
Размер шлица
TX20
Тип головки
цилиндрическая
Тип резьбы
полная
Шлиц
TX
Отзывов: 0
Нет отзывов об этом товаре.
Вопросов: 0
Нет вопросов об этом товаре.
Похожие товары
Вы недавно смотрели