







Артикул:
a2a - 1458346 40-SCH
Есть в наличии
27.29 ₽
Минимальное количество заказа этого товара 200
Доставка послезавтра и позже, от 5000 ₽
Обратите внимание. Наша компания работает со странами СНГ только через представительство в РФ.
Обратите внимание. Наша компания работает со странами СНГ только через представительство в РФ.
В упаковке
200Вес единицы товара, кг
0,0105Basic
В упаковке
200
Вес единицы товара, кг
0,0105
Вес упаковки, кг
0.00525
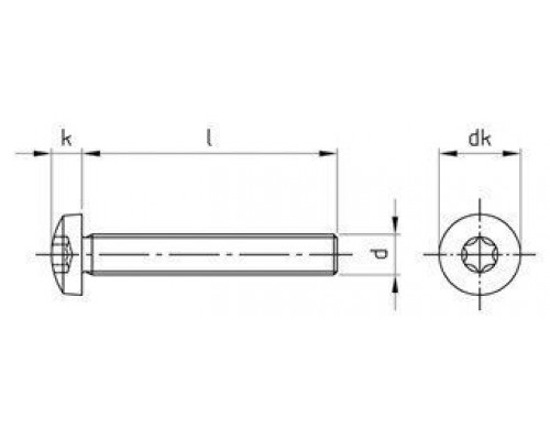
Высота головки, мм
4.6
Диаметр головки, мм
12
Диаметр резьбы
M6
Длина, мм
40
Материал
нерж. сталь A4
Нагрузки
Разрыв: 500 Н/мм2
Размер шлица
TX30
Тип головки
цилиндрическая
Тип резьбы
полная
Шлиц
TX
Отзывов: 0
Нет отзывов об этом товаре.
Вопросов: 0
Нет вопросов об этом товаре.
Похожие товары
Вы недавно смотрели