- Код товара189775
- НаличиеВ наличии
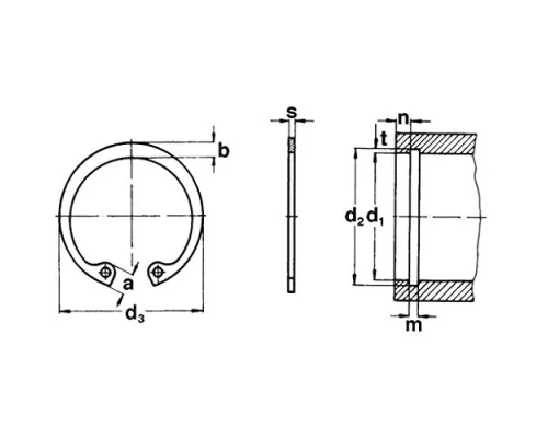
- DINDIN 472
- Вид кольцавнутреннее
- Все характеристики
🔥 Акция до 1 Апреля!
Доставка до любой ТК в г. Москве (любой вес и объем)
ЗА НАШ СЧЕТ!
Для установки подшипников и других элементов в посадочных гнездах задействуют кольцо стопорное DIN 472. Крепеж позволяет избежать осевого смещения деталей. Для монтажа колец стопорных ДИН 472 потребуется использовать специальные щипцы, установка не представляет сложностей.
Описание
Шайба стопорная DIN 472 реализуется размером от 8 до 130 мм, толщина может достигать 10.2 мм. Крепежный элемент производится из оксидированной стали, что обеспечивает стойкость к перепадам температур, уровню влажности, механическим воздействиям.
Преимущества
- Большой срок службы.
- Доступная цена.
- Большой выбор типоразмеров.
- Эластичность.
- Вибрационная и динамическая прочность.
Применение
Стопорное кольцо DIN 472 востребован в автомобилестроении, приборостроении, станкостроении, других производственных сегментах и отраслях народного хозяйства. Крепеж задействуют при организации ответственных соединений, так как метиз обладает повышенной прочностью.
Как купить
Чтобы купить стопорное кольцо DIN 472 или получить бесплатную консультацию, свяжитесь с нашим специалистом, все контакты есть на сайте.
Характеристики
- DINDIN 472
- Вид кольцавнутреннее
- Диаметр, мм44
- МатериалОксидированная сталь
- РазмерD44
- СтандартDIN 472
Нет отзывов об этом товаре.
