- Код товара189655
- НаличиеВ наличии
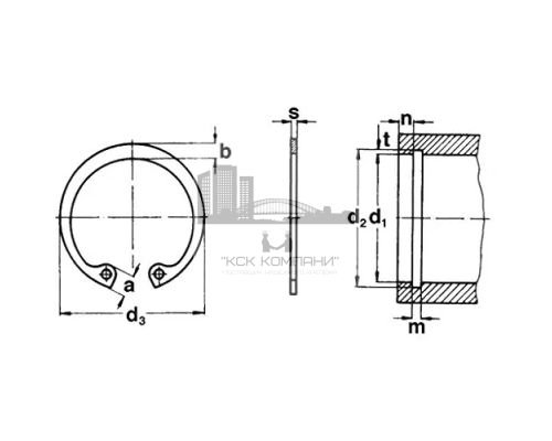
- DINDIN 472
- Вид кольцавнутреннее
- Все характеристики
🔥 Акция до 1 Апреля!
Доставка до любой ТК в г. Москве (любой вес и объем)
ЗА НАШ СЧЕТ!
Для крепления комплектующих к механическому узлу используется стопорное кольцо DIN 472. Крепежный элемент характеризуется простотой монтажа и демонтажа, производится из низколегированного сплава. Шайба DIN 472 имеет вид незамкнутого круга, диаметр разрыва может отличаться.
Описание
Размеры колец стопорных DIN 472 варьируются от 7 до 125 мм. Крепежный элемент характеризуется стойкостью к механическим воздействиям, перепадам температур, коррозии. Метиз имеет неравномерную ширину по окружности, центр несколько смещён.
Преимущества
- Высокий эксплуатационный ресурс.
- Доступная цена.
- Плотность крепления, защита от смещения.
- Динамическая и вибрационная прочность.
- Большой выбор типоразмеров.
- Быстрый монтаж и демонтаж.
- Установка выполняется при помощи обычно отвёртки.
Применение
Стопорное кольцо DIN 472 используется в машиностроении, приборостроении и других производственных сегментах. Метиз является отличным фиксатором для подшипника, шестерни, шкива.
Как купить
Чтобы купить кольцо стопорное DIN 472 или получить дополнительную консультацию, свяжитесь с нашим консультантом, вся контактная информация указана на сайте.
Basic
- DINDIN 472
- Вид кольцавнутреннее
- Диаметр, мм11
- МатериалНержавеющая сталь
- РазмерD11
- СтандартDIN 472
Нет отзывов об этом товаре.
