







Артикул:
a2a - 9095410 55-SCH
Есть в наличии
Доставка послезавтра и позже, от 5000 ₽
Обратите внимание. Наша компания работает со странами СНГ только через представительство в РФ.
Обратите внимание. Наша компания работает со странами СНГ только через представительство в РФ.
В упаковке
100Вес единицы товара, кг
0,05953Basic
В упаковке
100
Вес единицы товара, кг
0,05953
Вес упаковки, кг
0.0595
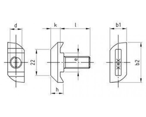
Высота головки, мм
10.5
Диаметр резьбы
M10
Длина, мм
55
Дополнительные параметры
Размер головки: 14х33.7 мм
Материал
нерж. сталь A4
Нагрузки
Разрыв: 500 Н/мм2
Тип головки
молот
Тип резьбы
полная
Отзывов: 0
Нет отзывов об этом товаре.
Вопросов: 0
Нет вопросов об этом товаре.
Похожие товары
Вы недавно смотрели