









Артикул:
a2a - 0933210 25G625-SCH
Есть в наличии
Доставка послезавтра и позже, от 5000 ₽
Обратите внимание. Наша компания работает со странами СНГ только через представительство в РФ.
Обратите внимание. Наша компания работает со странами СНГ только через представительство в РФ.
В упаковке
100Вес единицы товара, кг
0,0237Basic
В упаковке
100
Вес единицы товара, кг
0,0237
Вес упаковки, кг
0.0237
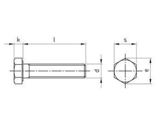
Высота головки, мм
6.4
Диаметр резьбы
M10
Длина, мм
25
Материал
нерж. сталь A2
Нагрузки
Разрыв: 700 Н/мм2
Покрытие
Gleitmo 625
Размер под ключ
SW17
Тип головки
шестигранная
Тип резьбы
полная
Шлиц
нет
Отзывов: 0
Нет отзывов об этом товаре.
Вопросов: 0
Нет вопросов об этом товаре.
Похожие товары
Вы недавно смотрели