





Обратите внимание. Наша компания работает со странами СНГ только через представительство в РФ.
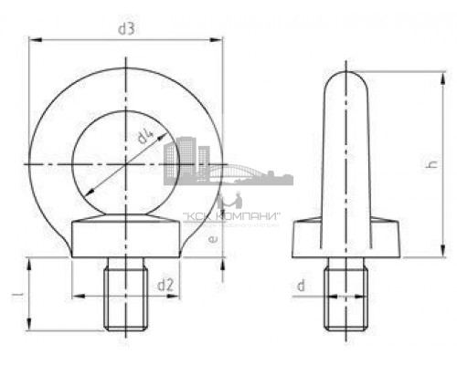
Рым-болт M8 DIN 580 A2 нержавеющий, общего назначения, кованный - изготавливается из нержавеющей стали А4, А4, оцинкованной стали, сталь С 15 Е, без нанесения покрытий, может иметь полную и неполную резьбу.
Основные аналоги изготовления болта DIN 580: Российские - ГОСТ 4751-73, Европейский стандарт - ISO 3266. Можно применять аналоги, но они не означают 100% совпадение с оригиналом.
При монтаже болта используют: специальное приспособление (рычажное), которое вставляется в отверстие кольца. Наличие у болта проушины, позволяет использовать изделие для осуществления гибкой сцепки, во время подъемно-транспортировочных работ. Болт крепится в основание, имеющее внутреннюю метрическую резьбу, что позволяет производить быстрый монтаж и демонтаж.
Где используют болт DIN 580: подвешивание и перемещение грузов, машиностроение, автомобилестроение, строительство, производство, монтаж строительного оборудования, временные крепления, съемные крепления.
Преимущества болта DIN 580:
.болты изготовленные из нержавеющей стали А2 и А4, латуни, оцинкованной стали, отлично подходят для применения в агрессивных средах, так как являются коррозийностойкими
.конструкция болта, позволяет создавать легкоразборные соединения
.нет необходимости в использовании специального оборудования для монтажа болта
Basic
Нет отзывов об этом товаре.
Нет вопросов об этом товаре.