- Код товара190227
- НаличиеВ наличии
- DIN7965
- Диаметр резьбыM6
- Все характеристики
🔥 Акция до 1 Апреля!
Доставка до любой ТК в г. Москве (любой вес и объем)
ЗА НАШ СЧЕТ!
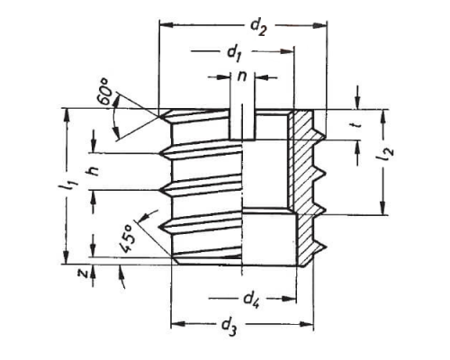
Для сборки корпусной мебели часто используется гайка муфта DIN 7965 мебельная врезная. Крепёжный элемент характеризуется наличием внутренней, и внешней резьбы (диаметр варьируется в пределах М3-М20). Длина муфты мебельной 7965 – от 8 до 30 мм, что обеспечивает универсальность применения.
Описание DIN 7965 муфты мебельной резьбовой
Производится гайка муфта мебельная DIN 7965 из углеродистой стали без покрытия. Втулка резьбовая DIN 7965 проста в применении, подойдёт при сборке мебели с низким напряжением.
Преимущества
- Низкая цена втулки DIN 7965.
- Продолжительный срок службы – 50 лет.
- Может использоваться в условиях повышенной влажности.
- Большой выбор типоразмеров.
Применение
Помимо дерева, гайка муфта резьбовая DIN 7965 может вкручиваться в пластик и другие нетвердые материалы. Для монтажа не требуется предварительная подготовка отверстия, вкручивание может выполняться ручным инструментом.
Технические характеристики
- Материал: Сталь
- Материал основания: Дерево, пластик
- Аналоги: нет
- Производитель: Россия / Китай
- Форма: Гайка муфта врезная, мебельная
Как купить
Чтобы купить DIN 7965 муфту гайку мебельную врезную, достаточно добавить товар в корзину и следовать дальнейшим указаниям. Если у вас остались дополнительные вопросы, свяжитесь с нашим менеджером, все контакты есть на сайте.
Характеристики
- DIN7965
- Диаметр резьбыM6
- МатериалСталь без покрытия
- РазмерM6x12x12 мм
- СтандартDIN 7965
Нет отзывов об этом товаре.
