- Код товара195549
- НаличиеВ наличии
- DINDIN 5406
- Диаметр внутренний, мм45
- Все характеристики
🔥 Акция до 1 Апреля!
Доставка до любой ТК в г. Москве (любой вес и объем)
ЗА НАШ СЧЕТ!
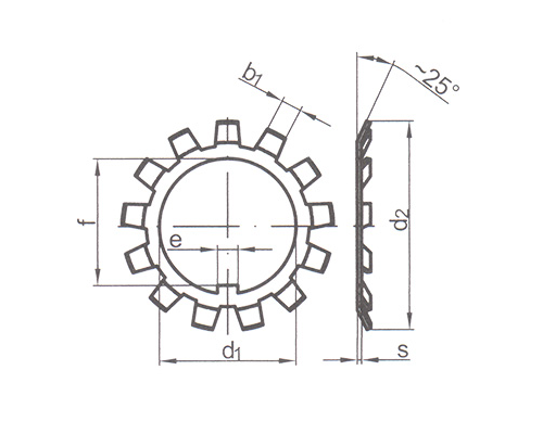
Для повышения прочности и надёжности соединения рекомендуется использовать многолапчатую стопорную шайбу DIN 5406. Применение метиза позволит избежать самопроизвольного раскручивания, добиться стойкости к вибрационным и динамическим нагрузкам. Лапки стопорной шайбы ДИН 5406 делают невозможным проворачивание узла.
Описание
Шайба стопорная DIN 5406 крепится к основанию выступом с внутренней стороны, сохраняя возможность перемещения метиза по длине. Крепежный элемент имеет несколько лапок, каждая из которых находится под углом 25 градусов. Диаметр шайбы многолапчатой DIN 5406 варьируется от 10 до 150 мм, применяться метиз может только со шлицевой гайкой.
Преимущества
- Практически неограниченный эксплуатационный ресурс.
- Доступная цена.
- Простота монтажа и демонтажа.
- Большой выбор типоразмеров.
- Сохранение свойств при незначительных деформациях.
Применение
Шайба стопорная многолапчатая DIN 5406 используется для сборки промышленных сооружений и конструкций. Крепёжный элемент востребован в машиностроении, приборостроении, судостроении и т.д.
Технические характеристики
- Материал: Сталь
- Аналоги: ГОСТ 11872
- Производитель: Россия / Китай
Как купить
Чтобы купить шайбу многолапчатую DIN 5406 или получить дополнительную консультацию, свяжитесь с нашим менеджером, все контакты есть на сайте.
Basic
- DINDIN 5406
- Диаметр внутренний, мм45
- МатериалСталь без покрытия
- РазмерМВ9 69x45x1.25 мм
- СтандартDIN 5406
Нет отзывов об этом товаре.
