- АртикулVP-stojka-kabelnaya-potolochnaya_msp_2_4141
- НаличиеВ наличии
Доставка послезавтра и позже, от 5000 ₽
Обратите внимание. Наша компания работает со странами СНГ только через представительство в РФ.
Обратите внимание. Наша компания работает со странами СНГ только через представительство в РФ.
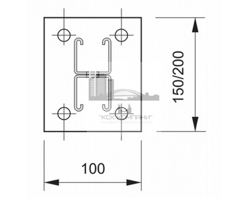
Потолочная стойка для высоких нагрузок MSP 2х4141 длиной от 200 до 2000 мм. Используется в качестве несущего элемента конструкции. Монтаж других элементов к стойкам осуществляется с помощью канальных гаек и может выполняться с двух сторон профиля.
Сварная конструкция выполнена с использованием профиля STRUT.
Размеры потолочных стоек MSP 2х4141:
| Тип | Длина, мм | Размер профиля, мм | Размер основания, мм |
|---|---|---|---|
| MSP 2х4141 200 | 200 | 41х41х2,5 | 150х100х6,0 |
| MSP 2х4141 300 | 300 | 41х41х2,5 | 150х100х6,0 |
| MSP 2х4141 400 | 400 | 41х41х2,5 | 150х100х6,0 |
| MSP 2х4141 500 | 500 | 41х41х2,5 | 150х100х6,0 |
| MSP 2х4141 600 | 600 | 41х41х2,5 | 150х100х6,0 |
| MSP 2х4141 800 | 800 | 41х41х2,5 | 150х100х6,0 |
| MSP 2х4141 1000 | 1000 | 41х41х2,5 | 150х100х6,0 |
| MSP 2х4141 1200 | 1200 | 41х41х2,5 | 150х100х6,0 |
| MSP 2х4141 1500 | 1500 | 41х41х2,5 | 150х100х6,0 |
| MSP 2х4141 2000 | 2000 | 41х41х2,5 | 150х100х6,0 |
Защита стоек от коррозии :
Отзывов: 0
Нет отзывов об этом товаре.
Стойка потолочная двусторонняя для высоких нагрузок
5584
VP-stojka-kabelnaya-potolochnaya_msp_2_4141
Стойки потолочные и напольные
Рекомендуем посмотреть
Похожие товары
Вы недавно смотрели
