- Код товара179107
- НаличиеВ наличии
- DIN7985
- Вид головкиполуцилиндрическая
- Все характеристики
🔥 Акция до 1 Апреля!
Доставка до любой ТК в г. Москве (любой вес и объем)
ЗА НАШ СЧЕТ!
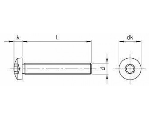
Винт DIN 7985 с полуцилиндрической головкой, шлиц Torx из нержавеющей стали A4 / AISI 316.
Для крепления к основаниям стальных элементов задействуют винт полуцилиндрический DIN 7985 torx. Метиз оснащен специальным углублением, что обеспечивает максимальную силу вкручивания. Монтаж винта ДИН 7985 с полуцилиндрической головкой осуществляется пневматическим или ручным инструментом, возможно использование плоских и пружинных шайб.
Описание
Винт с полуцилиндрической головкой DIN 7985 выполнен из нержавеющей стали А4. Это высокопрочный материал, который отличается стойкостью к коррозии, кислотам и другим химическим воздействиям. Размеры винта DIN 7985 варьируются от М2 до М10.
Преимущества
- Высокое качество вырубки шлица.
- Относительно низкая цена.
- Большой выбор типоразмеров.
- Стойкость к перепадам температур.
- Практически неограниченный эксплуатационный ресурс.
Применение
Крепёжный элемент задействуют в судостроении, литейной, пищевой и химической промышленности. Винт с полуцилиндрической головкой также используется в строительстве при возведении особо ответственных соединений.
Технические характеристики
- Материал: Нержавеющая сталь А4 / AISI 316
- Материал основания: Железо, металл, сталь, пластик
- Аналоги: ISO 7045, ГОСТ 17473 (прямой шлиц), DIN 85 (прямой шлиц)
- Производитель: Китай / Индия
- Форма: с полуцилиндрической головкой
- Шлиц: Torx (TX)
Как купить
У нас вы можете приобрести винт DIN 7985 оптом. Чтобы оформить заказ или получить дополнительную консультацию, просто свяжитесь с нашим менеджером, вся контактная информация есть на сайте.
Характеристики
- DIN7985
- Вид головкиполуцилиндрическая
- Диаметр резьбыM2.5
- Длина, мм6
- МатериалНержавеющая сталь A4
- РазмерM2,5X6
- СтандартDIN 7985
- Тип резьбыполная
- Шлицзвездообразный (TX)
Нет отзывов об этом товаре.
