- Код товара179219
- НаличиеВ наличии
- DIN7985
- Вид головкиполуцилиндрическая
- Все характеристики
🔥 Акция до 1 Апреля!
Доставка до любой ТК в г. Москве (любой вес и объем)
ЗА НАШ СЧЕТ!
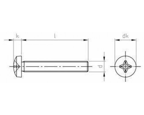
Винт DIN 7985 H с полуцилиндрической головкой шлиц Phillips из нержавеющей стали A2 / AISI 304.
Для создания особо прочных соединений используется винт полукруглый DIN 7985. Данный крепёжный элемент имеет шпильку с полной резьбой с головкой со специальным углублением. Это упрощает процесс монтажа винта A2 DIN 7985 даже в условиях ограниченного пространства. Установка выполняется ручным инструментом или шуруповёртом.
Описание винта 7985 A2
DIN 7985 нерж с полуцилиндрической головкой производится из нержавеющей стали А2. Данный материал характеризуется стойкостью к перепадам температур, коррозии, кислотам. Размеры винта DIN 7985 A2 с полуцилиндрической головкой варьируются от М1.6 до М10, что обеспечивает универсальность применения. Используется метиз совместно с твёрдыми пластмассами, металлами, древесиной.
Преимущества
- Практически неограниченный эксплуатационный ресурс.
- Относительно низкая цена.
- Гарантия надёжного соединения.
- Стойкость к повышенным нагрузкам.
- Возможность применения винта в агрессивной среде.
Применение
Винт с полусферической головкой А2 DIN 7985 широко востребован в строительстве, мебельной промышленности, производственных отраслях.
Технические характеристики
- Материал: Нержавеющая сталь А2 / AISI 304
- Материал основания: Железо, металл, сталь, пластик
- Аналоги: ISO 7045, ГОСТ 17473 (прямой шлиц), DIN 85 (прямой шлиц)
- Производитель: Китай / Индия
- Форма: с полуцилиндрической головкой
- Шлиц: Phillips (PH)
Как купить
Чтобы купить DIN 7985 H с полуцилиндрической или получить дополнительную консультацию, свяжитесь с нашим менеджером, вся контактная информация указана на сайте.
Basic
- DIN7985
- Вид головкиполуцилиндрическая
- Диаметр резьбыM6
- Длина, мм100
- МатериалНержавеющая сталь А2
- РазмерM6x100 мм
- СтандартDIN 7985
- Тип резьбыполная
- Шлицкрестообразный (PH)
Нет отзывов об этом товаре.
