- Код товара179460
- НаличиеВ наличии
- DIN7985
- Вид головкиполуцилиндрическая
- Все характеристики
🔥 Акция до 1 Апреля!
Доставка до любой ТК в г. Москве (любой вес и объем)
ЗА НАШ СЧЕТ!
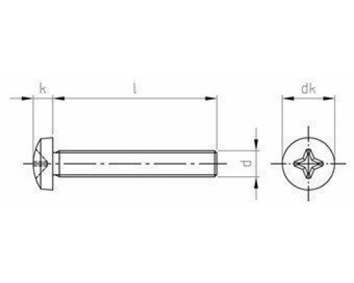
Винт с полуцилиндрической головкой и полной резьбой, шлиц Phillips из оцинкованной стали, класс прочности 4.8-5.8.
Для создания разъёмного или неразъёмного соединения используется винт ZN DIN 7985. Крепёжный элемент задействуют там, где нет требований к сохранению ровного покрытия. Винт с полукруглой головкой DIN 7985 комплектуется полной резьбой, монтаж осуществляется ручной головкой или шуруповёртом.
Описание
Крепёжный элемент DIN 7985 ZN производится из оцинкованной стали. Это обеспечивает стойкость к коррозии и ржавчине, позволяет использовать метиз во влажной среде. Высокая головка винта оцинкованного DIN 7985 обеспечивает стойкость к износу при многократной установке.
Размеры ДИН 7985 варьируются от М2 до М10. Отдельно приобретаются вспомогательные элементы – гайки, втулки, шайбы.
Преимущества
- Высокие прочностные характеристики.
- Долговечность.
- Возможность эксплуатации в агрессивной среде.
- Простота монтажа.
Применение
Винт ОЦ 7985 задействуют в автомобилестроении, приборостроении, судостроении и других отраслях промышленности и строительства.
Технические характеристики
- Материал: Оцинкованная сталь
- Материал основания: Железо, металл, сталь, пластик
- Аналоги: ISO 7045, ГОСТ 17473 (прямой шлиц), DIN 85 (прямой шлиц)
- Производитель: Китай / Индия
- Форма: с полукруглой головкой
- Шлиц: Phillips (PH)
Как купить
Чтобы купить винт DIN 7985 с полукруглой головкой или получить дополнительную консультацию, просто свяжитесь с нашим менеджером, вся контактная информация есть на сайте.
Характеристики
- DIN7985
- Вид головкиполуцилиндрическая
- Диаметр резьбыM5
- Длина, мм14
- Класс прочности5.8
- МатериалОцинкованная сталь
- РазмерM5x14 мм
- СтандартDIN 7985
- Тип резьбыполная
- Шлицкрестообразный (PH)
Нет отзывов об этом товаре.
