- Код товара180032
- НаличиеВ наличии
- DIN912
- Вид головкицилиндрическая
- Все характеристики
🔥 Акция до 1 Апреля!
Доставка до любой ТК в г. Москве (любой вес и объем)
ЗА НАШ СЧЕТ!
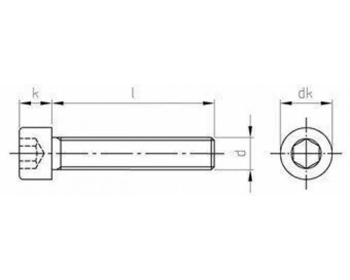
Винт DIN 912 с цилиндрической головкой и внутренним шестигранником из нержавеющей стали A2 / AISI 304.
Крепёжный элемент DIN 912 из нержавейки применяется во многих отраслях промышленности, включая станкостроение и машиностроении. Метиз имеет неполную резьбу и головку без острых граней. Винт с цилиндрической головкой DIN 912 используется совместно с гайками и шайбами, монтируется в заранее подготовленное отверстие.
Описание
Диаметр резьбы винта с внутренним шестигранником DIN 912 варьируется от М2 до М36. Производится крепёжный элемент из нержавеющей стали А2, которая характеризуется высокой стойкостью к коррозии, ржавчине, резким перепадам температур. Монтаж винта DIN 912 A2 с цилиндрической головкой и внутренним шестигранником выполняется при помощи специализированного ключа.
Преимущества
- Практически неограниченный эксплуатационный ресурс.
- Динамическая и вибрационная стойкость.
- Большой выбор размеров.
- Универсальность.
- Простота монтажа ДИН 912 A2.
Применение винта
Винт DIN 912 из нержавеющей стали с цилиндрической головкой и внутренним шестигранником может использоваться на открытом воздухе, во влажной среде. Допускается применение метиза для создания ответственных соединений, возведения сложных конструкций.
Технические характеристики DIN 912 A2 70
- Материал: Нержавеющая сталь А2 / AISI 304
- Материал основания: Метал
- Аналоги: ГОСТ 11738, ISO 4762
- Производитель: Россия / Китай
Как купить
Чтобы купить винт DIN 912 A2 с цилиндрической головкой и внутренним шестигранником или получить дополнительную консультацию, достаточно связаться с нашим менеджером, вся контактная информация указана на сайте.
Basic
- DIN912
- Вид головкицилиндрическая
- Диаметр резьбыM4
- Длина, мм35
- МатериалНержавеющая сталь А2
- РазмерM4X35
- СтандартDIN 912
- Тип резьбынеполная
- Шлицвнутренний шестигранник (HEX)
Нет отзывов об этом товаре.
