- Код товара180446
- НаличиеВ наличии
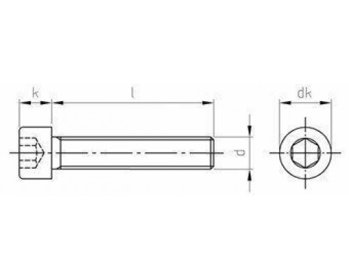
- DIN912
- Вид головкицилиндрическая
- Все характеристики
🔥 Акция до 1 Апреля!
Доставка до любой ТК в г. Москве (любой вес и объем)
ЗА НАШ СЧЕТ!
Винт с цилиндрической головкой из нержавеющей стали A4 / AISI 316.
Крепёжный элемент DIN 912 нержавеющий широко востребован во многих сегментах производства, так как характеризуется повышенной прочностью. Метиз способен выдерживать увеличенный крутящий момент, отличается стойкостью к динамическим и циклическим нагрузкам. Монтаж винта DIN 912 A4 выполняется специализированным ключом.
Описание
Размеры винта с внутренним шестигранником DIN 912 варьируются от М1,6 до М36. Производится крепёжный элемент из нержавеющей стали А4 / AISI 316, которая примечательна стойкостью к кислотам, коррозии, ржавчине. Реализуются изделия DIN 912 с неполной резьбой.
Монтаж винта DIN 912 нерж может быть осуществлён даже в труднодоступных местах. Для установки потребуется подготовить отверстие нужного размера заранее.
Преимущества
- Большой выбор размеров.
- Практически неограниченный эксплуатационный ресурс.
- Относительно низкая цена DIN 912 из нержавеющей стали А4.
- Универсальность.
Технические характеристики
- Материал: Нержавеющая сталь А4 / AISI 316
- Материал основания: Метал
- Аналоги: ГОСТ 11738, ISO 4762
- Производитель: Россия / Китай
Как купить
Чтобы купить винт DIN 912 в Москве оптом, достаточно добавить изделие в корзину и следовать дальнейшим инструкциям. Если вам требуется дополнительная консультация, свяжитесь с нашим менеджером, все контакты указаны на сайте.
Basic
- DIN912
- Вид головкицилиндрическая
- Диаметр резьбыM10
- Длина, мм60
- МатериалНержавеющая сталь A4
- РазмерM10X60
- СтандартDIN 912
- Тип резьбынеполная
- Шлицвнутренний шестигранник (HEX)
Нет отзывов об этом товаре.
