- Код товара180990
- НаличиеВ наличии
- DIN963
- Вид головкипотайная
- Все характеристики
🔥 Акция до 1 Апреля!
Доставка до любой ТК в г. Москве (любой вес и объем)
ЗА НАШ СЧЕТ!
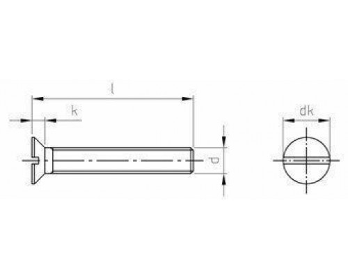
Винт DIN 963 с потайной головкой шлиц прямой из нержавеющей стали A2 / AISI 304.
Для сопряжения элементов конструкций во многих сферах промышленности используется винт DIN 963. Особенностью этого крепёжного элемента является потайная головка, которая полностью утапливается в основание. DIN 963 винт потайной не имеет острого кончика, соединяться может глухим или сквозным способом.
Описание
Винт DIN 963 AISI 304 с потайной головкой производится из нержавеющей стали А2. Данный материал характеризуется высокой стойкостью к коррозии, ржавчине, резким перепадам температур. Монтаж DIN 963 нерж может осуществляться в деревянное или металлическое основание, для этого потребуется ручная или пневматическая отвёртка.
Преимущества
- Практически неограниченный эксплуатационный ресурс.
- Большой выбор типоразмеров.
- Вибрационная и динамическая прочность.
- Универсальность.
- Устойчивость к агрессивным воздействиям.
Применение
Винт ДИН 963 А2 с потайной головкой и прямым шлицем применяется в мебельной промышленности, приборостроении, судостроении, машиностроении. Крепёжный элемент подойдёт для монтажа самых разных листовых элементов – фанеры, ДСП, металла и т.д.
Технические характеристики DIN 963
- Материал: Нержавеющая сталь А2 / AISI 304
- Материал основания: Сталь, метал, дерево
- Аналоги: ГОСТ 17475 исп 1, ISO 2009
- Производитель: Россия / Китай
- Шлиц: Прямой
Как купить
Чтобы купить ДИН 963 винт с потайной головкой и прямым шлицем или получить дополнительную консультацию, свяжитесь с нашим менеджером, все контакты есть на сайте.
Basic
- DIN963
- Вид головкипотайная
- Диаметр резьбыM2.5
- Длина, мм16
- МатериалНержавеющая сталь А2
- РазмерM2,5X16
- СтандартDIN 963
- Тип резьбыполная
- Шлицпрямой (SL)
Нет отзывов об этом товаре.
