- Код товара181126
- НаличиеВ наличии
- DIN963
- Вид головкипотайная
- Все характеристики
🔥 Акция до 1 Апреля!
Доставка до любой ТК в г. Москве (любой вес и объем)
ЗА НАШ СЧЕТ!
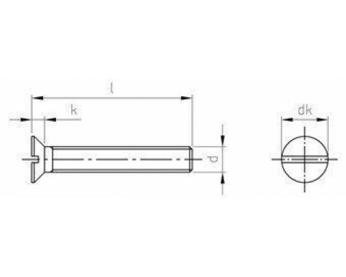
Винт DIN 963 с потайной головкой, шлиц прямой из нержавеющей стали А4 / AISI 316.
Для соединения элементов «заподлицо» используется винт DIN 963. Перед монтажом крепёжного элемента требуется заранее высверлить конусообразное отверстие нужного диаметра. Винт ДИН 963 утопает в основании полностью, что позволяет сохранить гладкость и эстетические свойства поверхности.
Описание
Винт под отвертку прямую DIN 963 производится из нержавеющей стали А4. Это высокопрочный материал в составе которого присутствует молибден. Сталь характеризуется высокой стойкостью к кислотам, ржавчине, щелочи.
Размеры винтов DIN 963 с потайной головкой варьируются от М1,6 до М16, длина может достигать 100 мм. Наличие углубленного прямого шлица позволяет прикладывать высокую силу крутящего момента, что обеспечивает прочность соединения.
Преимущества
- Практически неограниченный эксплуатационный ресурс.
- Возможность многократной сборки и разборки.
- Механическая прочность.
- Универсальность.
- Простота монтажа.
Применение
Крепёжный элемент DIN 963 AISI 316 востребован в тяжёлой промышленной, строительстве, мебельном производстве.
Технические характеристики
- Материал: Нержавеющая сталь А4 / AISI 316
- Материал основания: Сталь, метал, дерево
- Аналоги: ГОСТ 17475 исп 1, ISO 2009
- Производитель: Россия / Китай
- Шлиц: Прямой
Как купить
Чтобы купить винт с потайной головкой и прямым шлицем DIN 963 или получить дополнительную консультацию, свяжитесь с нашим менеджером, вся контактная информация указана на сайте.
Basic
- DIN963
- Вид головкипотайная
- Диаметр резьбыM5
- Длина, мм20
- МатериалНержавеющая сталь A4
- РазмерM5X20
- СтандартDIN 963
- Тип резьбыполная
- Шлицпрямой (SL)
Нет отзывов об этом товаре.
