- Код товара181236
- НаличиеВ наличии
- DIN964
- Вид головкиполупотайная
- Все характеристики
🔥 Акция до 1 Апреля!
Доставка до любой ТК в г. Москве (любой вес и объем)
ЗА НАШ СЧЕТ!
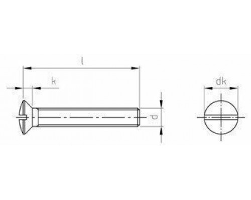
Винт DIN 964 с полупотайной головкой шлиц прямой из нержавеющей стали A2 / AISI 304.
В строительстве, автомобилестроении и других производственных сегментах широко востребован винт DIN 964. Данный крепёжный элемент имеет стальную резьбу, полупотайная головка позволяет скрыть соединение. Монтаж выполняется отвёрткой или электроинструментом, предварительно требуется зенкование отверстия.
Описание
Винт DIN 964 с полупотайной головкой и прямым шлицем реализуются от М2 до М10, длина может достигать 100 мм. Производится метиз из высокопрочной стали, которая отличается экологичностью, износоустойчивостью, отсутствием магнитных свойств. Установка винта может быть выполнена при помощи гаек или шайб, либо посредством завинчивания в рассверленное гнездо.
Преимущества
- Высокий эксплуатационный ресурс.
- Большой выбор типоразмеров DIN 964.
- Высокая вибрационная и динамическая устойчивость.
- Эстетические свойства соединения.
Применение
Помимо производственной сферы, винт с полупотайной головкой и прямым шлицем ДИН 964 широко востребован в быту, в частности, при сборке мебели. Некоторые изделия используется в электротехнике.
Технические характеристики DIN 964
- Материал: Нержавеющая сталь A2 / AISI 304
- Материал основания: Сталь, метал, дерево
- Аналоги: ГОСТ 17474, ISO 2010
- Производитель: Россия / Китай
- Форма: С полупотайной головкой и прямым шлицем
Как купить
Чтобы купить винт с полупотайной головкой DIN 964 А2 или получить дополнительную консультацию, свяжитесь с нашим менеджером, вся контактная информация есть на сайте.
Характеристики
- DIN964
- Вид головкиполупотайная
- Диаметр резьбыM5
- Длина, мм20
- МатериалНержавеющая сталь А2
- РазмерM5X20
- СтандартDIN 964
- Тип резьбыполная
- Шлицпрямой (SL)
Нет отзывов об этом товаре.
