- Код товара181444
- НаличиеВ наличии
- DIN965
- Вид головкипотайная
- Все характеристики
🔥 Акция до 1 Апреля!
Доставка до любой ТК в г. Москве (любой вес и объем)
ЗА НАШ СЧЕТ!
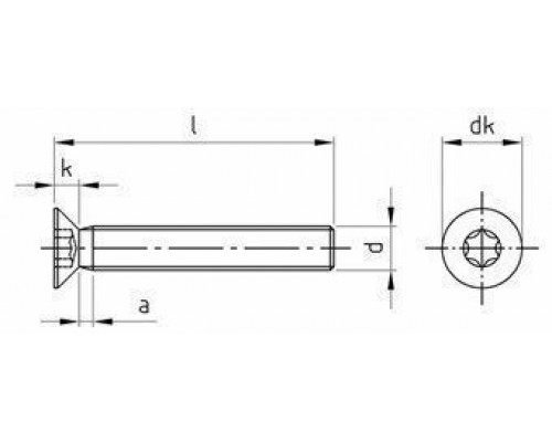
Для создания скрытого соединения используется винт DIN 965 из нержавейки. Особенностью данного винта является наличие потайной головки, которая полностью утопает в основании. Это позволяет устанавливать DIN 965 винт с потайной головкой в условиях ограниченного пространства с соблюдением всех техник безопасности.
Описание
Винт DIN 965 нержавеющий производится из стали марки А4, которая характеризуется высокой стойкостью к кислотам, химическим элементам, коррозии. Метиз не боится резких перепадов температур, обладает антимагнитными свойствами.
Размеры винта потайного DIN 965 варьируются М1,6 до М10, длина может достигать 120 мм. Монтаж осуществляется при помощи ручной пли пневматической отвертки.
Преимущества
- Высокий эксплуатационный ресурс.
- Большой выбор размеров ДИН 965.
- Универсальность.
- Возможность многократного вкручивания и раскручивания.
Применение
Винт DIN 965 A4 с потайной головкой широко задействуют в производстве бытовой технике, приборостроении, мебельной промышленности.
Технические характеристики
- Материал: Нержавеющая сталь A4 / AISI 316
- Материал основания: Сталь, металл, дерево, пластик
- Аналоги: ГОСТ 17475 исп 2, EN ISO 7046-1, DIN 963 (прямой шлиц)
- Производитель: Россия / Китай
Как купить
Чтобы купить крепежный элемент с потайной головкой или получить дополнительную консультацию, свяжитесь с нашим менеджером, вся контактная информация.
Характеристики
- DIN965
- Вид головкипотайная
- Диаметр резьбыM2.5
- Длина, мм4
- МатериалНержавеющая сталь A4
- РазмерM2,5X4
- СтандартDIN 965
- Тип резьбыполная
- Шлицзвездообразный (TX)
Нет отзывов об этом товаре.
