- Код товара182156
- НаличиеВ наличии
- ISO10642
- Вид головкипотайная
- Все характеристики
🔥 Акция до 1 Апреля!
Доставка до любой ТК в г. Москве (любой вес и объем)
ЗА НАШ СЧЕТ!
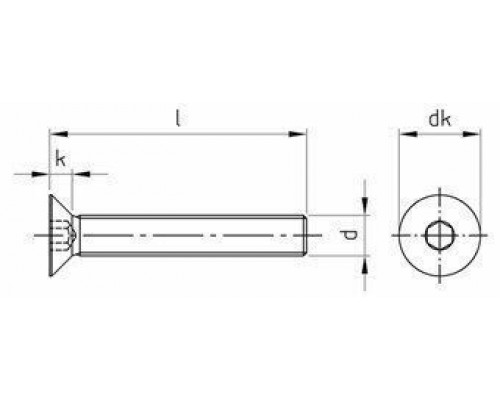
Винт ISO 10642 с потайной головкой и внутренним шестигранником из нержавеющей стали A2 / AISI 304.
Для крепления деталей конструкций во многих производственных сегментах используется винт потайной ISO 10642. Метиз устанавливается вместе с гайками и другими элементами, что образует прочное соединение. Состоит винт ISO 10642 из стержня с частично нанесённой резьбой и конической головкой.
Описание
Винт с потайной головкой ISO 10642 выполнен из нержавеющей стали А2. Данный материал характеризуется высокой стойкостью к ржавчине, коррозии, резким перепадам температур.
Другой особенностью винта потай с внутренним шестигранником является высокий крутящий момент. ИСО 10642 хорошо закручивается даже под углом и если в отверстие попала грязь.
Преимущества
- Метиз ИСО 10642 2012 можно монтировать одной рукой, так как шлиц легко центруется.
- Практически неограниченный эксплуатации ресурс.
- Относительно низкая цена EN ISO 10642.
- Возможность многократного применения.
- Отсутствие острых граней, что обеспечивает безопасность.
- Большой выбор типоразмеров.
- Наличие потайной головки позволяет создать скрытое соединение.
Технические характеристики
- Материал: Нержавеющая сталь А2 / AISI 304
- Страна производства: Китай \ Индия
- Аналоги: DIN 7991
- Тип: С потайной головкой и внутренним шестигранником
Как купить
Чтобы купить потайной винт с внутренним шестигранником ISO 10642 или получить дополнительную консультацию, свяжитесь с нашим менеджером, все контакты есть на сайте.
Basic
- ISO10642
- Вид головкипотайная
- Диаметр резьбыM16
- Длина, мм70
- МатериалНержавеющая сталь А2
- РазмерM16X70
- СтандартISO 10642
- Тип резьбыполная
- Шлицвнутренний шестигранник (HEX)
Нет отзывов об этом товаре.
