- Код товара182377
- НаличиеВ наличии
- ISO10642
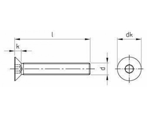
- Вид головкипотайная
- Все характеристики
🔥 Акция до 1 Апреля!
Доставка до любой ТК в г. Москве (любой вес и объем)
ЗА НАШ СЧЕТ!
Винт ISO 10642 с потайной головкой и внутренним шестигранником из нержавеющей стали A4 / AISI 316.
Для крепления элементов различных соединений используется винт ИСО 10642 с потайной головкой и внутренним шестигранником. Метиз характеризуется особой прочностью и надёжностью, а форма головки позволяет осуществлять монтаж даже в труднодоступных местах. Установка винта потайного под внутренний шестигранник ISO 10642 выполняется пневматическим или ручным инструментом.
Описание
Размеры винта потайного с внутренним шестигранником варьируются от М3 до М24, длина может достигать 240 мм. Производится метиз ISO 10642 из нержавеющей стали А4, которая характеризуется стойкостью к кислотам, резким перепадам температур, коррозии. Винт потай под внутренний шестигранник ISO 10642 предназначен для многократного использования, риск деформации резьбы отсутствует.
Преимущества ИСО 10642
- Шляпка не имеет острых граней.
- Р ИСО 10642 полностью утопает в основании.
- Стойкость к вибрационным и динамическим нагрузкам.
- Универсальность.
Применение
Винт Р ИСО 10642 2012 с потайной головкой и внутренним шестигранником востребован в автомобилестроении, строительстве, других промышленных сегментах. В быту метиз используется для сборки корпусной мебели.
Технические характеристики
- Материал: Нержавеющая сталь А4 / AISI 316
- Страна производства: Китай \ Индия
- Аналоги: DIN 7991
Как купить
Чтобы купить винт с потайной головкой и внутренним шестигранником ISO 10642 или получить дополнительную консультацию, свяжитесь с нашим менеджером, все контакты есть на сайте.
Basic
- ISO10642
- Вид головкипотайная
- Диаметр резьбыM4
- Длина, мм12
- МатериалНержавеющая сталь A4
- РазмерM4X12
- СтандартISO 10642
- Тип резьбыполная
- Шлицвнутренний шестигранник (HEX)
Нет отзывов об этом товаре.
