- Код товара182489
- НаличиеВ наличии
- ISO14581
- Вид головкипотайная
- Все характеристики
🔥 Акция до 1 Апреля!
Доставка до любой ТК в г. Москве (любой вес и объем)
ЗА НАШ СЧЕТ!
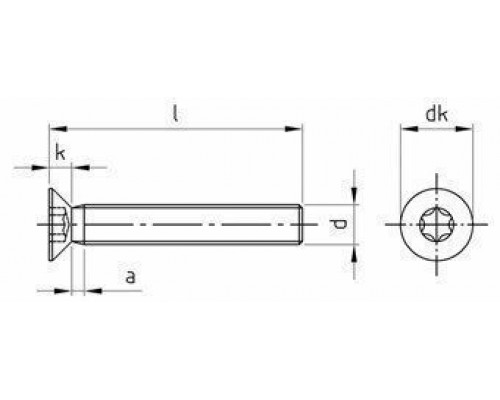
Винт ISO 14581 с потайной головкой шлиц Torx из нержавеющей стали A2 / AISI 304.
Для монтажа «заподлицо» и создания ответственных соединений используется винт ISO 14581. Головка полностью утапливается в основание, что позволяет сохранить гладкость поверхности. Монтаж винта ИСО 14581 с потайной головкой выполняется при помощи ручного или пневматического инструмента, возможно многократное использование.
Описание
Винт с потайной головкой ISO 14581 производится из нержавеющей стали А2. Данный материал характеризуется высокой стойкостью к коррозии, перепадам температур, кислотам. ISO 14581 имеет диаметр резьбы в диапазоне от М2 до М8. Монтаж осуществляется в отверстие с зенкованием, дополнительно используются шайбы или гайки.
Преимущества
- Практически неограниченный эксплуатационный ресурс.
- Относительно низкая цена.
- Возможность эксплуатации во влажной среде.
- Простота монтажа.
Применение
Крепёжный элемент ИСО 14581 широко востребован в автомобилестроении, приборостроении, судостроении, мебельной промышленности. Винт используется при возведении каркасных домов, обустройстве кровли и т.д.
Технические характеристики ISO 14581
- Материал: Нержавеющая сталь A2 / AISI 304
- Страна производства: Китай \ Индия
Как купить
Чтобы купить винт с потайной головкой ISO 14581 или получить дополнительную консультацию, просто свяжитесь с нашим специалистом, все контакты есть на сайте.
Характеристики
- ISO14581
- Вид головкипотайная
- Диаметр резьбыM4
- Длина, мм12
- МатериалНержавеющая сталь А2
- РазмерM4X12
- СтандартISO 14581
- Тип резьбыполная
- Шлицзвездообразный (TX)
Нет отзывов об этом товаре.
