- Код товара182571
- НаличиеВ наличии
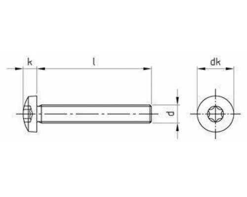
- ISO14583
- Вид головкиполуцилиндрическая
- Все характеристики
🔥 Акция до 1 Апреля!
Доставка до любой ТК в г. Москве (любой вес и объем)
ЗА НАШ СЧЕТ!
Винт ISO 14583 с полуцилиндрической головкой шлиц Torx из нержавеющей стали A2 / AISI 304.
Для соединения разных элементов из конструкционной стали используется винт с полуцилиндрической головкой ISO 14583. Крепёжный элемент характеризуется высокой прочностью, что делает его стойким к механическим нагрузкам. Головка винта ИСО 14583 имеет шлицевое исполнение Torx, поэтому монтаж должен выполняться инструментом со специальной насадкой.
Описание
Винт с полуцилиндрической головкой ISO 14583 производится из нержавеющей стали А2. Данный материал характеризуется стойкостью к коррозии, ржавчине, резким перепадам температур. Диаметр крепёжного элемент варьируется от М2 до М8, что обеспечивает универсальность применения. Полная резьба ИСО 14583 2009 позволяет добиться максимальной прочности затяжки.
Преимущества
- Практически неограниченный эксплуатационный ресурс.
- Гарантия надёжности соединения.
- Отсутствие магнитных свойств.
- Гигиеничность.
Применение
Винт с полуцилиндрической головкой ISO 14583 применяется для производства машин и механизмов, арок, навесов, стальных каркасов и т.д.
Технические характеристики
- Материал: Нержавеющая сталь А2 / AISI 304
- Страна производства: Китай \ Индия
Как купить
Чтобы купить винт с полуцилиндрической головкой ISO 14583 или получить дополнительную консультацию, просто свяжитесь с нашим специалистом, вся контактная информация указана на сайте.
Basic
- ISO14583
- Вид головкиполуцилиндрическая
- Диаметр резьбыM3
- Длина, мм12
- МатериалНержавеющая сталь А2
- РазмерM3X12
- СтандартISO 14583
- Тип резьбыполная
- Шлицзвездообразный (TX)
Нет отзывов об этом товаре.
