- Код товара182741
- НаличиеВ наличии
- ISO7380
- Вид головкиполукруглая
- Все характеристики
🔥 Акция до 1 Апреля!
Доставка до любой ТК в г. Москве (любой вес и объем)
ЗА НАШ СЧЕТ!
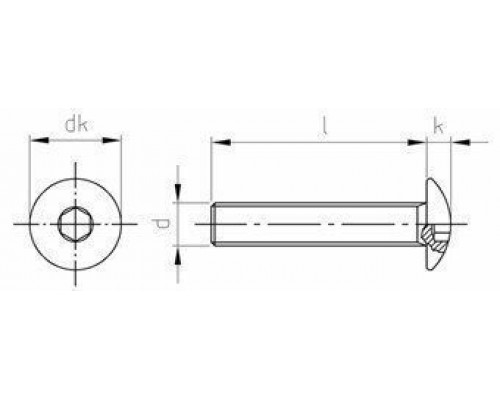
Винт ISO 7380 с полукруглой головкой и внутренним шестигранником из нержавеющей стали A2 / AISI 304.
Крепёжный элемент ИСО 7380 широко востребован в промышленности за счёт удобства и надёжности применения. Винт с полукруглой головкой позволяет скреплять изделия из древесины, металла и пластмассы. Резьба у метиза ISO 7380 A2 наносится на всю длину стержня.
Описание
Винт с внутренним шестигранником ISO 7380 производится из нержавеющей стали А2. Данный материал не проявляет магнитные свойства, слабо подвержен коррозии, способен сохранять свои свойства в широком диапазоне температур. Винт DIN ISO 7380 1 с полукруглой головкой и внутренним шестигранником реализуется размерами от М2 до М16, длина может достигать 120 мм.
Полукруглая головка винта 7380 1 позволяет выполнить монтаж даже в труднодоступных местах. В некоторых случаях может использоваться гайка или пресс шайба.
Преимущества
- Вибрационная и динамическая прочность.
- Относительно низкая цена ISO 7380 нерж.
- Универсальность.
- Возможность эксплуатации на открытом воздухе.
Применение
Винт ISO 7380 2 с полукруглой головкой и внутренним шестигранником задействуют при сборке мебели, в автомобилестроении, станкостроении, строительстве, иногда в быту.
Технические характеристики
- Материал: Нержавеющая сталь А2 / AISI 304
- Материал основания: Железо, сталь
- Аналоги: ГОСТ 28963-91
- Производитель: Россия / Китай
Как купить
Чтобы купить винт ISO 7380 A2 с полукруглой головкой и внутренним шестигранником или получить дополнительную консультацию, свяжитесь с нашим менеджером, все контакты есть на сайте.
Характеристики
- ISO7380
- Вид головкиполукруглая
- Диаметр резьбыM10
- Длина, мм20
- МатериалНержавеющая сталь А2
- РазмерM10X20
- СтандартISO 7380
- Тип резьбыполная
- Шлицвнутренний шестигранник (HEX)
Нет отзывов об этом товаре.
