- Код товара182818
- НаличиеВ наличии
- ISO7380
- Вид головкиполукруглая
- Все характеристики
🔥 Акция до 1 Апреля!
Доставка до любой ТК в г. Москве (любой вес и объем)
ЗА НАШ СЧЕТ!
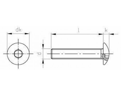
Винт ISO 7380 с полукруглой головкой и внутренним шестигранником из нержавеющей стали A4 / AISI 316.
Винт с полукруглой головкой и внутренним шестигранником ISO 7380 1 2014 характеризуется удобством применения и надёжностью, поэтому широко востребован во многих сегментах промышленности. Используется крепёжный элемент совместно с втулками, гайками и шайбами. Сферическая головка винта ИСО 7380 1 с полукруглой головкой и внутренним шестигранником обеспечивает высокую прижимную силу.
Описание
Крепёжный элемент ISO 7380 из нержавеющей стали А4 реализуется диаметром от М2 до М16, длина может достигать 120 мм. Производится метиз из стали марки А4. Это обеспечивает высокую стойкость к ржавчине, коррозии и кислотам. Винт с полукруглой головкой и внутренним шестигранником ISO 7380 A4 может использоваться в условиях резких перепадов температур.
Преимущества
- Практически неограниченный эксплуатационный ресурс.
- Слабые магнитные свойства.
- Выдерживает вибрационные и динамические нагрузки.
- Экологичность.
Применение
Винт с круглой головкой и внутренним шестигранником ISO 7380 AISI 316 применяется в машиностроении, судостроении, текстильной промышленности, при производстве строительного оборудования, изготовлении мебели, остеклении фасадов.
Технические характеристики
- Материал: Нержавеющая сталь А4 / AISI 316
- Материал основания: Железо, сталь
- Аналоги: ГОСТ 28963-91
- Производитель: Россия / Китай
Как купить
Чтобы купить ISO 7380 1 винт с полукруглой головкой и внутренним шестигранником или получить дополнительную консультацию, достаточно связаться с нашим менеджером, все контакты есть на сайте.
Характеристики
- ISO7380
- Вид головкиполукруглая
- Диаметр резьбыM5
- Длина, мм50
- МатериалНержавеющая сталь A4
- РазмерM5X50
- СтандартISO 7380
- Тип резьбыполная
- Шлицвнутренний шестигранник (HEX)
Нет отзывов об этом товаре.
