- Код товара183048
- НаличиеВ наличии
- Вид головкикольцо
- Диаметр резьбыM5
- Все характеристики
🔥 Акция до 1 Апреля!
Доставка до любой ТК в г. Москве (любой вес и объем)
ЗА НАШ СЧЕТ!
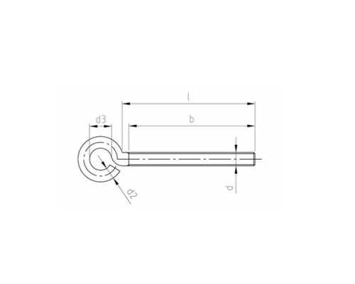
Винт кольцо с метрической резьбой из оцинкованной стали.
Для крепления нагруженных конструкций к вертикальной поверхности используется метрический винт с кольцом. Крепёжный элемент оснащен полной метрической резьбой, что упрощает процесс монтажа. Одна сторона винта с кольцом на конце погружается в основание, другая переходит в фигурную головку.
Описание
Кольцо крепежное с резьбой предназначен для монтажа в глухие отверстия. Это обеспечивает прочность и надёжность статичного соединения. Производится винт кольцо с метрической резьбой из оцинкованной стали, что позволяет использовать метиз в условиях повышенной влажности.
Наиболее востребованные размеры варьируются от М6 до М12, длина может достигать 300 мм. При установке метиз ввинчивается на 2/3 длины, это необходимо для максимального сопряжения.
Преимущества
- Универсальность.
- Практически неограниченный эксплуатационный ресурс.
- Гарантия прочного и надёжного соединения.
- Большой выбор типоразмеров.
Применение
Винт кольцо с резьбой широко востребован в быту и многих промышленных отраслях.
Технические характеристики
- Материал: Оцинкованная сталь
- Материал основания: Сталь, метал
- Аналоги: Нет
- Производитель: Россия / Китай
Как купить
Чтобы купить винт кольцо с метрической резьбой или получить дополнительную консультацию, свяжитесь с нашим менеджером, все контакты есть на сайте.
Basic
- Вид головкикольцо
- Диаметр резьбыM5
- Длина, мм80
- МатериалОцинкованная сталь
- РазмерM5x80 мм
- Тип резьбынеполная
Нет отзывов об этом товаре.
