- Код товара183162
- НаличиеВ наличии
- DIN7985
- Вид головкиполуцилиндрическая
- Все характеристики
🔥 Акция до 1 Апреля!
Доставка до любой ТК в г. Москве (любой вес и объем)
ЗА НАШ СЧЕТ!
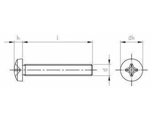
Винт латунный DIN 7985 с полуцилиндрической головкой и полной резьбой, шлиц Phillips.
Для крепления полимерных или стальных конструкций используется винт полусфера DIN 7985. Крестообразное углубление обеспечивает максимальную силу вкручивания, также позволяет выполнить монтаж в труднодоступных местах. Метиз DIN 7985 с цилиндрической головкой вкручивается ручной отверткой или шуруповёртом.
Описание
Винт с полусферической головкой DIN 7985 производится из латуни. Данный материал характеризуется повышенной стойкостью к влажности, прочностью и устойчивостью. Размеры винта 7985 варьируются от М1.6 до М10, длина может достигать 100 мм.
Монтаж винта ДИН 7985 с полуцилиндрической головкой выполняется вместе со стопорными, пружинными или плоскими шайбами.
Преимущества
- Высокий эксплуатационный ресурс.
- Выгодная цена винта DIN 7985 по сравнению с аналогами.
- Гарантия надёжного крепления.
- Универсальность.
Применение
Крепёжный элемент широко востребован во многих строительных и производственных отраслях.
Технические характеристики
- Материал: Латунь
- Материал основания: Железо, металл, сталь, пластик
- Аналоги: ISO 7045, ГОСТ 17473 (прямой шлиц), DIN 85 (прямой шлиц)
- Производитель: Китай / Индия
- Форма: с полуцилиндрической головкой
- Шлиц: Phillips (PH)
Как купить
У нас вы можете купить винт 7985 оптом. Чтобы оформить заказ или получить дополнительную консультацию, свяжитесь с нашим менеджером, вся контактная информация указана на сайте.
Характеристики
- DIN7985
- Вид головкиполуцилиндрическая
- Диаметр резьбыM5
- Длина, мм10
- МатериалЛатунь
- РазмерM5x10 мм
- СтандартDIN 7985
- Тип резьбыполная
- Шлицкрестообразный (PH)
Нет отзывов об этом товаре.
