- Код товара183382
- НаличиеВ наличии
- DINVM 7420
- Вид головкиплоская
- Все характеристики
🔥 Акция до 1 Апреля!
Доставка до любой ТК в г. Москве (любой вес и объем)
ЗА НАШ СЧЕТ!
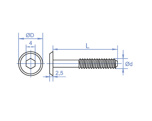
Для крепления деревянных и стальных конструкций используется винт мебельный с плоской головкой VM 7420. Крепёжный элемент характеризуется наличием шестигранного углубления и резьбой во всю длину, что позволяет соединять детали разной толщины. Метиз может выдерживать только малую нагрузку, срок службы превышает 12 лет.
Описание
Винт мебельный плоский VM 7420 имеет коническую форму основания и шляпку с округлыми гранями. Используется метиз совместно с соединительными элементами, монтаж выполняется ручным инструментом. Размеры винта мебельного VM 7420 варьируются от М6 до М8 мм, диаметр головки может достигать 15 мм.
Производится винт мебельный с внутренним шестигранником из разных типов сталей.
Преимущества
- Большой выбор типоразмеров.
- Простота монтажа.
- Высокая степень фиксации.
- Может использоваться для разных типов древесины.
Применение
Винт мебельный плоский внутренний шестигранник VM 7420 предназначен для сборки раскладных кресел, стенок, диванов, столов и т.д.
Технические характеристики
- Материал: Латунь
- Материал основания: дерево, сталь
- Аналоги: Нет
- Производитель: Россия / Китай
Как купить
Чтобы купить мебельный винт с плоской головкой VM 7420 или получить дополнительную консультацию, достаточно связаться с нашим менеджером, вся контактная информация указана на сайте.
Basic
- DINVM 7420
- Вид головкиплоская
- Диаметр резьбыM6
- Длина, мм70
- МатериалЛатунь
- РазмерM6x70 мм
- СтандартVM 7420
- Тип резьбыполная
- Шлицвнутренний шестигранник (HEX)
Нет отзывов об этом товаре.
