- Код товара172709
- НаличиеВ наличии
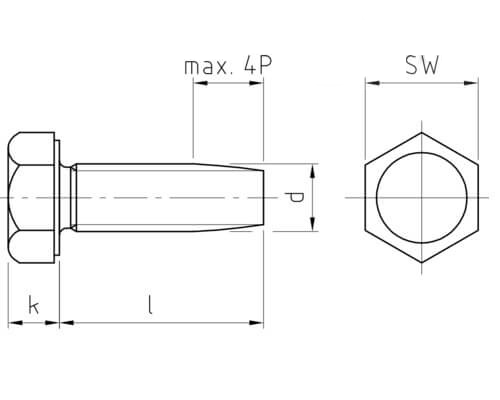
- DIN7500D
- Вид головкишестигранная
- Все характеристики
🔥 Акция до 1 Апреля!
Доставка до любой ТК в г. Москве (любой вес и объем)
ЗА НАШ СЧЕТ!
Винт резьбовыдавливающий TAPTITE DIN 7500D с шестигранной головкой и полной резьбой оцинкованная сталь 4.8-5.8
В промышленности и строительстве широко распространён резьбовыдавливающий винт DIN 7500, особенностью которого является отсутствие необходимости в предварительной подготовки резьбы. Крепёжный элемент самостоятельно выдавливает отверстие в процессе установки, стружка при этом не остается.
Описание
Винт резьбовыдавливающий с фланцем данной формы выпускается с резьбой от М2 до М8, длина стержня может достигать 45 мм. Производится DIN 7500 D из прочной оцинкованной стали, что гарантирует стойкость к коррозии, ржавчине, кислотам.
При монтаже винта самонарезающего DIN 7500 снижается сила трения, что увеличивает крутящий момент. Это положительно сказывается на прочности крепёжного соединения, обеспечивает стойкость при вибрационных воздействиях.
Преимущества винта 7500 D резьбовыдавливающего
- Большой срок службы.
- Высокая эффективность фиксации.
- Универсальность.
- Возможность эксплуатации во влажной среде.
- Относительно низкая цена.
Технические характеристики
- Материал: Оцинкованная сталь
- Материал основания: Сталь, метал, дерево
- Аналоги: Нет
- Производитель: Россия / Китай
Как купить
Чтобы купить винт резьбовыдавливающий DIN 7500 производства Китай, достаточно добавить товар в корзину и следовать дальнейшим инструкциям. Если вам требуется дополнительная консультация, свяжитесь с нашим менеджером, все контакты есть на сайте.
Basic
- DIN7500D
- Вид головкишестигранная
- Диаметр резьбыM6
- Длина, мм16
- Класс прочности5.8
- МатериалОцинкованная сталь
- РазмерM6x16 мм
- СтандартDIN 7500D
- Тип резьбыполная
Нет отзывов об этом товаре.
