- Код товара185206
- НаличиеВ наличии
- DIN913
- Вид головкибез головки
- Все характеристики
🔥 Акция до 1 Апреля!
Доставка до любой ТК в г. Москве (любой вес и объем)
ЗА НАШ СЧЕТ!
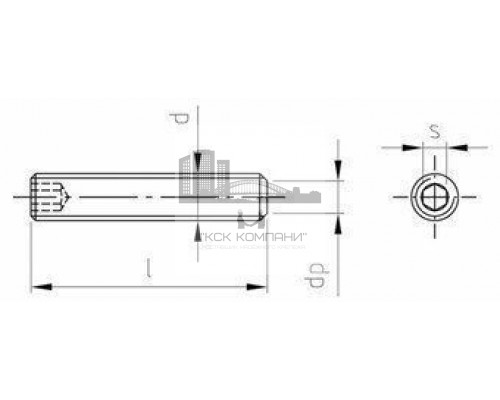
Винт установочный DIN 913 с тупым концом, шлиц внутренний шестигранник из нержавеющей стали A4 / AISI 316.
Для надежного крепления и стягивания конструкций, во многих промышленных областях используется установочный винт DIN 913. Крепёжный элемент имеет плоскую головку и шестигранное углубление. Это позволяет полностью погрузить винт стопорный DIN 913 в отверстие с резьбой, что делает соединение скрытым.
Описание
Винт установочный DIN 913 AISI 316 производится из стали марки А4, которая характеризуется повышенной стойкостью к коррозии, кислотам, ржавчине. Размер крепёжного элемента DIN 913 A4 варьируется от М1,4 до М24, отверстие для установки может достигать глубины 12 мм.
Преимущества DIN 913 из нержавеющей стали А4
- Может использоваться при температуре от -60 до +450 градусов.
- Практически неограниченный эксплуатационный ресурс.
- Полная немагнитность, гигиеничность.
- Высокий передел прочности на растяжение.
Применение
За счёт особых свойств нержавеющей стали А4, винт с внутренним шестигранником DIN 913 установочный может использоваться в судостроении, химической промышленности, строительстве. Метиз подойдёт для эксплуатации в среде, содержащей хлор.
Технические характеристики
- Материал: Нержавеющая сталь А4 / AISI 316
- Материал основания: Сталь, метал
- Аналоги: ГОСТ 1104, 11074, ISO 4026
- Производитель: Россия / Китай
- Тип: Установочный
Как купить
Чтобы купить винт ДИН 913 установочный или получить дополнительную консультацию, свяжитесь с нашим менеджером, вся контактная информация есть на сайте.
Basic
- DIN913
- Вид головкибез головки
- Диаметр резьбыM5
- Длина, мм5
- МатериалНержавеющая сталь A4
- РазмерM5x5 мм
- СтандартDIN 913
- Тип резьбыполная
- Шлицвнутренний шестигранник (HEX)
Нет отзывов об этом товаре.
