- Код товара185831
- НаличиеВ наличии
- DIN916
- Вид головкибез головки
- Все характеристики
🔥 Акция до 1 Апреля!
Доставка до любой ТК в г. Москве (любой вес и объем)
ЗА НАШ СЧЕТ!
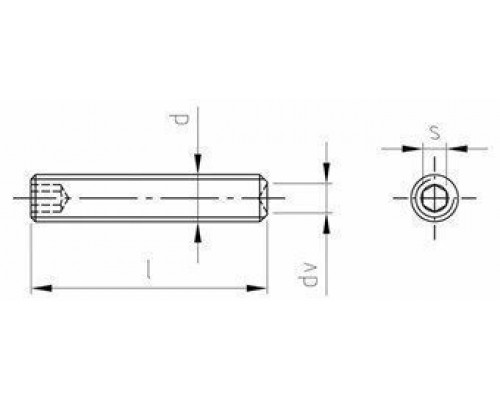
Винт установочный DIN 916 из нержавеющей стали A4 / AISI 316 с засверленным концом шлиц внутренний шестигранник.
Для радиальной и осевой фиксации механизмов на валах зачастую задействуют установочный винт DIN 916. Крепежный элемент позволяет закрепить деталь в произвольном положении. За счёт полной резьбы, метиз погружается в основание на всю длину, что повышает надёжность сцепления винта DIN 916 установочного с шестигранным углублением.
Описание
Данная модель винта установочного с внутренним шестигранником DIN 916 выполнена из нержавеющей стали марки А4. Данный сплав характеризуется высокими эксплуатационными свойствами, способен выдерживать воздействие кислот, влаги, резких перепадов температур.
Винт установочный DIN 916 из нержавеющей стали А4 предназначен для использования в условиях постоянных вибрационных и динамических нагрузках. Шаг резьбы, длина и сечение могут отличаться в зависимости от габаритов основания.
Преимущества DIN 916 AISI 316
- Способность выдерживать постоянные нагрузки без риска деформации.
- Большой срок службы.
- Сопротивление боковому сцеплению.
- Практичность.
- Защитные свойства от несанкционированного доступа.
Технические характеристики
- Материал: Нержавеющая сталь A4 / AISI 316
- Материал основания: Метал, дерево
- Аналоги: ГОСТ 28964, ISO 4030
- Производитель: Россия / Китай
Как купить
Чтобы купить установочный винт DIN 916 A4 или получить дополнительную консультацию, свяжитесь с нашим менеджером, все контакты указаны на сайте.
Характеристики
- DIN916
- Вид головкибез головки
- Диаметр резьбыM10
- Длина, мм16
- МатериалНержавеющая сталь A4
- РазмерM10x16 мм
- СтандартDIN 916
- Тип резьбыполная
- Шлицвнутренний шестигранник (HEX)
Нет отзывов об этом товаре.
