- Артикул0014806-OPTI
- НаличиеВ наличии
- Диаметр2
- Длина4
- Все характеристики
Обратите внимание. Наша компания работает со странами СНГ только через представительство в РФ.
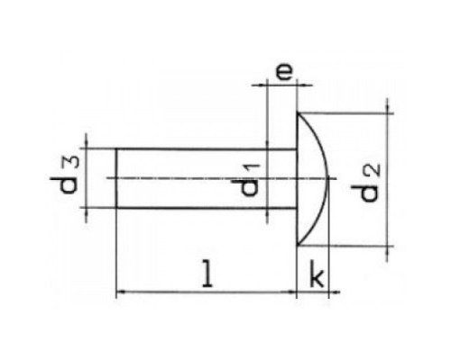
Для организации высокопрочных неразъёмных соединений применяется заклепка забивная под молоток DIN 660. Крепление материалов осуществляется прямой двухсторонней клепкой. Для установки заклепки с головкой под молоток DIN 660 требуется предварительно подготовленное отверстие нужного диаметра.
Описание
Заклепка с полукруглой головкой DIN 660 используется в тех случаях, когда невозможно применять сварку. Крепёжный элемент характеризуется стойкостью к вибрационным и динамическим нагрузкам. Заклёпка DIN 660 обладает высокой пластичностью, поэтому монтажные работы могут быть проведены обычным инструментом.
Преимущества
- Доступная цена.
- Высокий эксплуатационный ресурс.
- Не нужно иметь доступ к двум сторонам соединяемого изделия.
- Отсутствует необходимость в дорогостоящем оборудовании.
Применение
Метиз используется в судостроении, машиностроении, самолётостроении и других сегментах промышленности. Крепёжный элемент недопустимо применять с агрессивными веществами, поэтому рекомендуется устанавливать подложку, защищающую метиз.
Технические характеристики
- Материал: Алюминий
- Материал основания: Сталь
- Аналоги: ГОСТ 10299
- Производитель: Россия / Китай
Как купить
Чтобы купить заклепку алюминиевую под молоток DIN 660 или получить дополнительную консультацию, свяжитесь с нашим менеджером, вся контактная информация указана на сайте.
Basic
- Диаметр2
- Длина4
- МатериалАлюминий
- Материал гильзыАлюминий
- Размер2x4 мм
- СтандартDIN 660
- Тип заклепокПод молоток
Нет отзывов об этом товаре.
