







Артикул:
a2a - 255750-000
Есть в наличии
4.06 ₽
Минимальное количество заказа этого товара 500
Доставка послезавтра и позже, от 5000 ₽
Обратите внимание. Наша компания работает со странами СНГ только через представительство в РФ.
Обратите внимание. Наша компания работает со странами СНГ только через представительство в РФ.
В упаковке
500Вес единицы товара, кг
0,0005Basic
В упаковке
500
Вес единицы товара, кг
0,0005
Вес упаковки, кг
0.0005
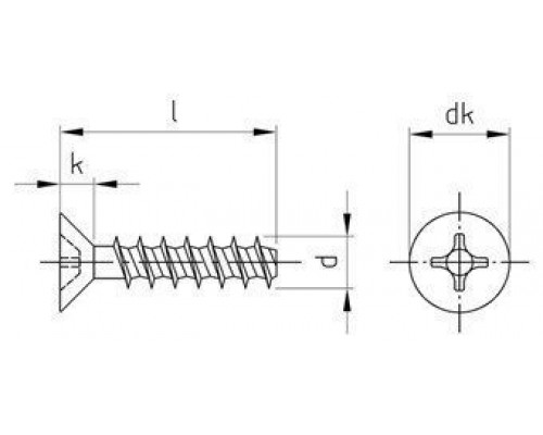
Высота головки, мм
2.2
Диаметр головки, мм
5.5
Диаметр, мм
3
Длина, мм
14
Материал
нерж. сталь A2
Тип головки
потайная
Тип резьбы
полная
Шлиц
PH
Отзывов: 0
Нет отзывов об этом товаре.
Вопросов: 0
Нет вопросов об этом товаре.
Похожие товары
Вы недавно смотрели