







Артикул:
a2a - 9090235 12-SCH
Есть в наличии
4.51 ₽
Минимальное количество заказа этого товара 500
Доставка послезавтра и позже, от 5000 ₽
Обратите внимание. Наша компания работает со странами СНГ только через представительство в РФ.
Обратите внимание. Наша компания работает со странами СНГ только через представительство в РФ.
В упаковке
500Вес единицы товара, кг
0,00078Basic
В упаковке
500
Вес единицы товара, кг
0,00078
Вес упаковки, кг
0.0006
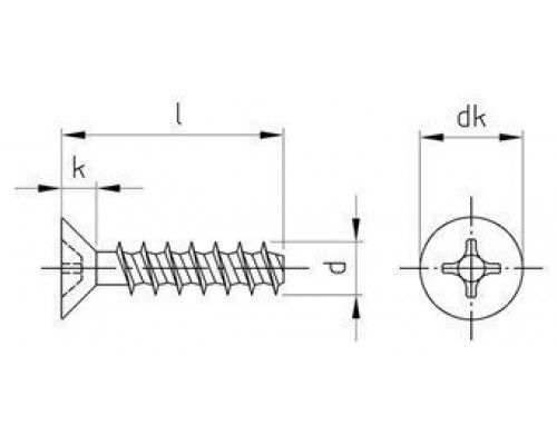
Высота головки, мм
2.55
Диаметр головки, мм
7.3
Диаметр, мм
3.5
Длина, мм
12
Материал
нерж. сталь A2
Тип головки
потайная
Тип резьбы
полная
Шлиц
PH
Отзывов: 0
Нет отзывов об этом товаре.
Вопросов: 0
Нет вопросов об этом товаре.
Похожие товары
Вы недавно смотрели