





Артикул:
a2a - 67593-000
Есть в наличии
Доставка послезавтра и позже, от 5000 ₽
Обратите внимание. Наша компания работает со странами СНГ только через представительство в РФ.
Обратите внимание. Наша компания работает со странами СНГ только через представительство в РФ.
В упаковке
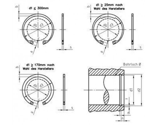
50 штВес единицы товара, кг
0,0017Basic
В упаковке
50 шт
Вес единицы товара, кг
0,0017
Вес упаковки, кг
0.0034
Высота, мм
1.2
Диаметр внутренний, мм
27
Диаметр, мм
28.9
Дополнительные параметры
Ширина ушка: 4.7 мм
Материал
нерж. сталь SM 1.4122
Ширина, мм
2.8
Отзывов: 0
Нет отзывов об этом товаре.
Вопросов: 0
Нет вопросов об этом товаре.
Похожие товары
Вы недавно смотрели