





Артикул:
a2a - 67588-000
Есть в наличии
109.12 ₽
Минимальное количество заказа этого товара 25
Доставка послезавтра и позже, от 5000 ₽
Обратите внимание. Наша компания работает со странами СНГ только через представительство в РФ.
Обратите внимание. Наша компания работает со странами СНГ только через представительство в РФ.
В упаковке
25 штВес единицы товара, кг
0,00354Basic
В упаковке
25 шт
Вес единицы товара, кг
0,00354
Вес упаковки, кг
0.014
Высота, мм
1.5
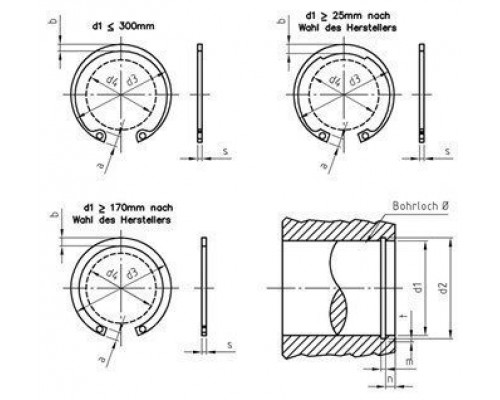
Диаметр внутренний, мм
35
Диаметр, мм
37.8
Дополнительные параметры
Ширина ушка: 5.4 мм
Материал
нерж. сталь SM 1.4122
Ширина, мм
3.4
Отзывов: 0
Нет отзывов об этом товаре.
Вопросов: 0
Нет вопросов об этом товаре.
Похожие товары
Вы недавно смотрели