- Артикулa2a - 248289-000
- НаличиеВ наличии
15.45 ₽
Минимальное количество заказа этого товара 200
- В упаковке200
- Вес единицы товара, кг0,0018
- Все характеристики
Доставка послезавтра и позже, от 5000 ₽
Обратите внимание. Наша компания работает со странами СНГ только через представительство в РФ.
Обратите внимание. Наша компания работает со странами СНГ только через представительство в РФ.
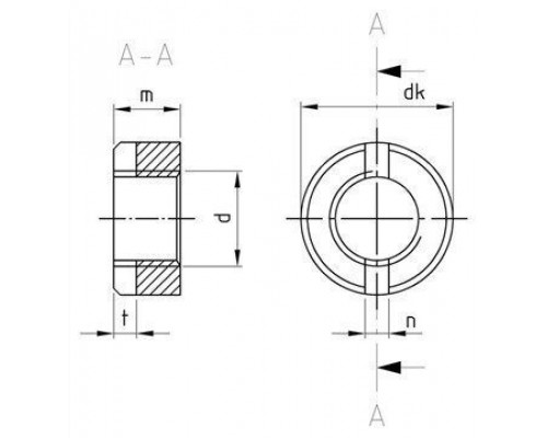
DIN 546 Гайка нержавеющая круглая шлицевая (с прорезями)
Данный метиз имеет круглую форму со специальными шлицевыми прорезями в торцевой части гайки. Гайка круглая шлицевая навинчивается на болты или винты для более надежной фиксации.
Гайка шлицевая является аналогом европейского стандарта DIN 546 и российского ГОСТ 11871-88. Возможно изготовление из нержавеющей стали А1 и А4. Возможно производство с покрытием цинк, никель, хром, либо поставляется без покрытия. Производится размерами от М2 до М16.
Преимущества и особенности:
- - стойкость к коррозии;
- - увеличение надежности фиксации соединений;
- - монтируется с помощью обычной отвертки с плоским шлицем.
Применение:
Гайка круглая шлицевая применяется в строительстве, сферах автомобилестроения и производстве приборов и механизмов. Используется вместе с цилиндрическими изделиями.
Basic
- В упаковке200
- Вес единицы товара, кг0,0018
- Вес упаковки, кг0.0009
- Высота, мм4.2
- Диаметр резьбыM5
- Диаметр, мм9
- Материалнерж. сталь A1
- НагрузкиПредельная: 50 кН/см2
Отзывов: 0
Нет отзывов об этом товаре.
DIN 546 AISI 303 M 5 Гайка нержавеющая щлицевая круглая (с прорезями)
142348
a2a - 248289-000
DIN 546
Похожие товары
Вы недавно смотрели
Art. 316 A4 M 4X10 Винт-барашек с прямоугольными лепестками нержавеющий американский тип
Есть в наличии
45.11 ₽
DIN 85 A4 M 5X90 Винт с цилиндрической скругленной головой и прямым шлицем нержавеющий
Есть в наличии
42.84 ₽
DIN 85 A4 M 8X25 Винт с цилиндрической скругленной головой и прямым шлицем нержавеющий
Есть в наличии
45.41 ₽
Art. 316 A4 M 3X16 Винт-барашек с прямоугольными лепестками нержавеющий американский тип
Есть в наличии
47.15 ₽
DIN 6926 М6 SW10 A4 Гайка самоконтрящаяся без зазубрин, шестигранная фланцевая нержавеющая
Есть в наличии
20.44 ₽
DIN 7997 A2 6,0X100 Z Шурупы по дереву с потайной головой и крестообразным шлицем PZ
Есть в наличии
57.56 ₽
