- Код товара188976
- НаличиеВ наличии
- Диаметр6
- Длина18
- Все характеристики
🔥 Акция до 1 Апреля!
Доставка до любой ТК в г. Москве (любой вес и объем)
ЗА НАШ СЧЕТ!
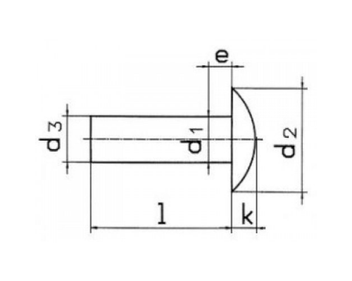
Для организации неразъёмных соединений из плоских стальных листов применяется заклепка с полукруглой головкой DIN 660. Крепёжный элемент монтируется в просверленное гнездо, диаметр которого должен соответствовать размеру стержня. Метиз отличается стойкостью к статическим, ударным и динамическим нагрузкам.
Описание
Заклепка металлическая под молоток DIN 660 позволяет организовать герметичное и водонепроницаемое соединение. Метиз идеально подходит для установки сразу нескольких материалов. Заклепку DIN 660 из стали не рекомендуется использовать для соединения тяжёлых конструкций.
Преимущества
- Возможность одностороннего монтажа.
- Может использоваться для трёх и более материалов.
- Высокий эксплуатационный ресурс.
- Стойкость к вибрационным нагрузкам.
Применение
Монтаж выполняется специальным заклёпочным инструментом, его применение позволяет снизить трудозатраты. Заклепка под молоток DIN 660 используется в строительстве, машиностроении, приборостроении и других сферах промышленности.
Технические характеристики
- Материал: Сталь
- Материал основания: Сталь
- Аналоги: ГОСТ 10299
- Производитель: Россия / Китай
Как купить
Чтобы купить заклепку DIN 660 под молоток или получить дополнительную консультацию, свяжитесь с нашим менеджером, вся контактная информация указана на сайте.
Характеристики
- Диаметр6
- Длина18
- МатериалСталь
- Материал гильзыСталь
- Размер6x18 мм
- СтандартDIN 660
- Тип заклепокПод молоток
Нет отзывов об этом товаре.
